Продукт Обзор
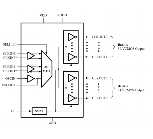
AC2101 - это высокопроизводительный выходной буфер LVCMOS с низким уровнем шума, который может распределять 10 тактовых импульсов со сверхнизким уровнем дрожания по несимметричным, дифференциальным или кристаллическим входам.
Типичные области применения:
Эталонный дистрибутив RRU
Интерфейсные платы SONET, Ethernet и Fibre Channel
Оптические транспортные сети
GPON OLT/ONUs
Соединения для серверов и сетей хранения данных
Медицинская визуализация
Технический Показатели

| Основные характеристики | |
| 10 выходов LVCMOS/LVTTL, постоянный ток ~ 200 МГц | |
| Универсальный вход | -LVCMOS/LVTTL -LVDS -LVPECL -HCSL -SSTL |
| Интерфейс кварцевого генератора | |
| Входная частота кристалла | 8 ~ 40 МГц |
| Перекос выходного сигнала | 28 кадров в секунду |
| Аддитивное фазовое дрожание | |
| Низкая задержка распространения сигнала | |
| Напряжение питания ядра | 2,5/3,3 В |
| Регулируемое выходное напряжение питания | 1.5/1.8/2.5/3.3 В |
| 32-контактный разъем QFN в корпусе | 5.0x5.0x0.75 мм |
Связанный Новостные
На первых в мире играх с гуманоидными роботами каждое точное поворот и безупречная координация демонстрировали последние прорыв
учить больше +Приведение преимуществ буфера синхронизации и генератора синхронизации
С быстрым развитием электронных технологий сигналы тактового ритма играют всё более важную роль в проектировании цифровых схем.
учить больше +В 2023 году сервер часов на спутнике Saisi из провинции Чжэцзян получил сертификат доступа к приватному облаку Alibaba Cloud.
учить больше +На фоне серьезных колебаний на мировом рынке драгоценных металлов Китайская биржа золота направила уведомление о необходимости
учить больше +В условиях стремительного развития современного общества интеллектуальная транспортная система, выступая в роли артерии городс
учить больше +Змея уходит с годом, а лошадь приносит весну. В этот момент, когда мы прощаемся со старым и встречаем новое, 24 января в штаб-квартире к
учить больше +[Краткое сообщение]Система Saisi получила признание от Центра технологий предприятий города Цзясин.
В 2023 году, после предварительной оценки, Центр технологий предприятия Zhejiang Saisi был признан Центром технологий предприятий города Цзя
учить больше +Анализ принципа работы чипа SLIC Voice
В эпоху интернета вещей технологии голосового обработки уже проникли в ключевые сферы — сетевую связь, цифровые устройства (телеф
учить больше +Применение сервера времени NTP в сфере интеллектуального производства
В условиях развития современной промышленности 4.0 и интеллектуального производства предприятия предъявляют всё более высокие тр
учить больше +Связанный продукты
электронная почта
позвони мне
+86 152 6830 7576
Добавь.
№ 1376, дорога Шуньцзе, район Наньху, город Цзясин, провинция Чжэцзян
