Продукт Обзор
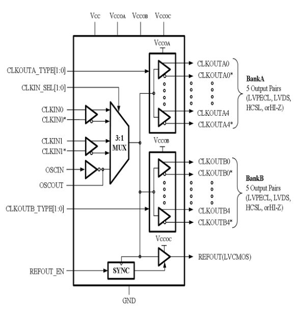
AC2301 - это 10-канальный дифференциальный буфер разветвления с частотой 3 ГГц, предназначенный для высокочастотного распределения тактовых сигналов/данных с низким уровнем дрожания и преобразования уровня. Входной тактовый сигнал может быть выбран из двух дифференциальных входов или из одного кристаллического входа. Выбранный входной тактовый сигнал распределяется по двум выходным группам, каждая из которых состоит из пяти дифференциальных выходов и одного выхода LVCMOS с функцией синхронизации.
Типичные области применения:
Распределение тактовой частоты и преобразование уровней для АЦП, ЦАП, XAUI, SATA/SAS, SONET/SDH, CPRI, Fibre Channel, мультигигабитных Ethernet и высокочастотных объединительных плат
Коммутаторы, маршрутизаторы, платы линейного интерфейса, платы синхронизации
Серверы, компьютеры, PCI Express (PCIe 3.0, 4.0)
Удаленные радиоприемники и базовые станции
Технические характеристики
Технический Показатели

| ключевые функции | |
| Входной мультиплексор 3:1 | Два универсальных входа работают на частоте до 2,1 ГГц и поддерживают LVPECL, LVDS, CML, SSTL, HSTL, HCSL или несимметричные тактовые частоты. |
| Монокристаллический вход поддерживает кристаллы с частотой от 10 до 40 МГц или несимметричные тактовые сигналы. | |
| Две группы, каждая с 5 дифференциальными выходами | LVPECL, LVDS, HCSL или высокоимпедансный (Hi-Z) (выбирается для каждой группы) |
| Аддитивный джиттер LVPECL на входном источнике тактовой частоты 156,25 МГц | среднеквадратичное значение 41fs (от 10 кГц до 20 МГц) |
| среднеквадратичное значение 35fs (от 1 МГц до 20 МГц) | |
| Высокое значение PSSR | -80/-58dbc (LVPECL/LVDS) при частоте 156,25 МГц |
| Выход LVCMOS с синхронным управлением включением | |
| Конфигурирование с помощью контактного управления | |
| Источник питания ядра VCC | 3,3 В±5% |
| 3 независимых источника питания на выходе VCCO | 3,3 В/2,5 В±5% |
| Диапазон рабочих температур | от -40℃ до +85℃ |
| Упаковка QFN48 | 7.0x7.0x0.75 мм |
Связанный Новостные
Связанный продукты
электронная почта
позвони мне
+86 152 6830 7576
Добавь.
№ 1376, дорога Шуньцзе, район Наньху, город Цзясин, провинция Чжэцзян